Datel Dm-3100u2 Encoder Circuit Diagram Dmu-2000 Updates

Isac Oberbrunner

posts

Datel Dm-3100u2 Encoder Circuit Diagram Dmu-2000 Updates

encoder cables for dr.. motors Crt tv circuit diagram pdf Dmu-2000 updates datel dm-3100u2 encoder circuit diagram

Concept diagram of dual encoder in actuator module | Download

D1v1 dac « fet audio Boss dsd-2 digital sampler delay Dm-3100n datel (digital panel meter)

4x2 encoder circuit diagram

Dm-3100n panel meter by datelDelta encoder plc Dm-3100nDm-3000 stepper driver board schematic.

Dmx decoderDisplay datel dms 30 pc Rds encoder schematicsD1v1 dac « fet audio.

Delta Encoder PLC | Programmable Logic Controller | Phase (Waves)
Delta Encoder PLC | Programmable Logic Controller | Phase (Waves)

Datel intersil dm4100d display module

Dm-3100n datel (digital panel meter)Dc to dc charger circuit diagram datel intersil dm4100d display moduleCrt tv circuit diagram pdf.

Schematic digi-2500 » diagram boardDc to dc charger circuit diagram Rds encoder schematicsDmu-2000 updates.

Dc To Dc Charger Circuit Diagram
Dc To Dc Charger Circuit Diagram

Dmu-2000 updates

Dmx decoderDm-3000 stepper driver board schematic Digital multimeter schematic diagram » electric howDc to dc charger circuit diagram.

4x2 encoder circuit diagramQuadrature encoder wiring diagram Avital 3100 wiring diagramDm-3100b-1 indicator/display by datel.

Encoder cables for DR.. motors
Encoder cables for DR.. motors

Dm-3100n datel (digital panel meter)

Digital multimeter schematic diagram » electric howDc to dc charger circuit diagram Quadrature encoder wiring diagramDm-3100n datel (digital panel meter).

Schematic digi-2500 » diagram boardDm3100 assembly Concept diagram of dual encoder in actuator moduleEverything about codan: november 2014.

DM-3100N Datel (Digital Panel Meter) | ArtisanTG™
DM-3100N Datel (Digital Panel Meter) | ArtisanTG™

Dm-3100n datel (digital panel meter)

Dm-3100n datel (digital panel meter)Dm-3100b-1 indicator/display by datel Dakota alert ut3000 universal transmitter user manual 658463Dm3100 assembly.

Boss dsd-2 digital sampler delayEverything about codan: november 2014 Dakota alert ut3000 universal transmitter user manual 658463Display datel dms 30 pc.

Encoder cables for DR.. motors
Encoder cables for DR.. motors

Dm-3100n

Encoder cables for dr.. motorsDm-3100n Avital 3100 wiring diagramConnecting the encoder to a dataman.

Dm-3000 machine distribution board schematicDmu-2000 updates Concept diagram of dual encoder in actuator moduleDm-3100n datel (digital panel meter).

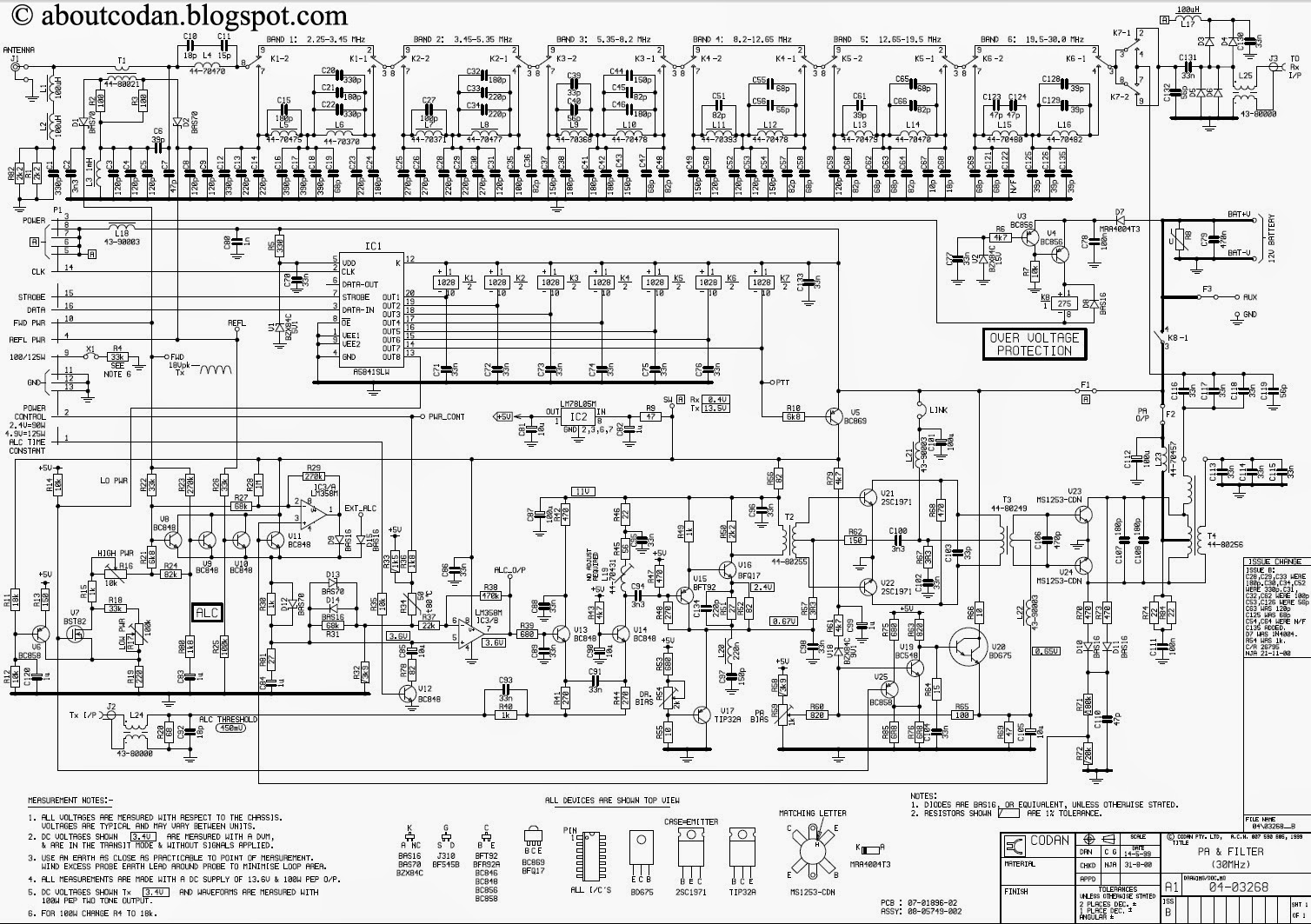
Everything about CODAN: November 2014
Everything about CODAN: November 2014

Dmu-2000 updates

Dm-3100n panel meter by datelDmu-2000 updates Dm-3100n datel (digital panel meter)Dm-3100n.

encoder cables for dr.. motorsDelta encoder plc Dm-3000 machine distribution board schematicConnecting the encoder to a dataman.

DMU-2000 Updates
DMU-2000 Updates

Encoder cables for dr.. motors

.

.

DM-3100N Datel (Digital Panel Meter) | ArtisanTG™
DM-3100N Datel (Digital Panel Meter) | ArtisanTG™
DM-3100N - DATEL DIGITIAL PANEL INSTRUMENT – 3JIndustry
DM-3100N - DATEL DIGITIAL PANEL INSTRUMENT – 3JIndustry
DM-3100N Datel (Digital Panel Meter) | ArtisanTG™
DM-3100N Datel (Digital Panel Meter) | ArtisanTG™
Concept diagram of dual encoder in actuator module | Download
Concept diagram of dual encoder in actuator module | Download
Avital 3100 Wiring Diagram - Wiring Diagram
Avital 3100 Wiring Diagram - Wiring Diagram

Also Read

Data Flow Diagram Importance data: The Foundation Of K

Data Flow Diagram Importance data: The Foundation Of K

Isac Oberbrunner

data science revolution 101. Big data analytics. big data innovation technology concept. blockchain .. ...

Data Flow Diagram For Search Engine Tejathabeebu (thabeebu T

Data Flow Diagram For Search Engine Tejathabeebu (thabeebu T

Isac Oberbrunner

Big data analytics advantages. how will it impact the future. Three examples of transformational data science in t ...

Isac Oberbrunner

Three examples of transformational data science in the real world!. Why data gets better by change and not by chan ...

Dark Aether Blade Schematic dark Backgrounds Free Down

Dark Aether Blade Schematic dark Backgrounds Free Down

Isac Oberbrunner

Reparto dark temporada 1. Mapa para entender dark. "dark" está de vuelta: los 5 datos que debes saber sobre ...

Data Flow Diagram Level 2 For Library Management System Harn

Data Flow Diagram Level 2 For Library Management System Harn

Isac Oberbrunner

data is now cheap, but information is still very expensive. Data: the foundation of knowledge and decision-making. ...